Разработка
и производство
электроники
Полный цикл - от идеи до готового устройства. Схемотехника, PCB, прошивки, производство.
«Приходите с любой задачей - я разберусь»


Услуги и решения
Что я делаю
Комплексный подход - от идеи до серийного производства в одних руках
Полный цикл разработки
От концепции и ТЗ до готовой продукции. Выбор компонентов, проектирование, изготовление, программирование, тестирование, выпуск.
- Анализ требований и подбор компонентов
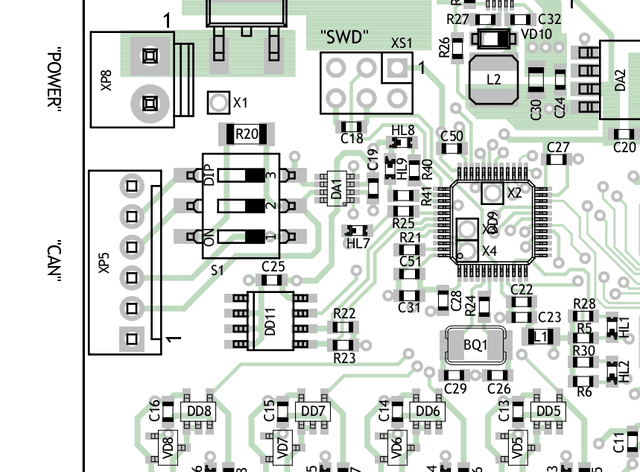
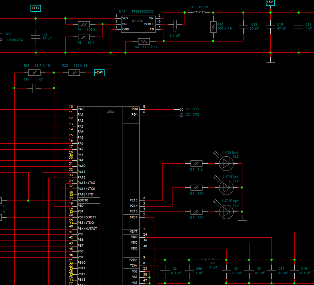
- Схемотехника и трассировка PCB
- Прототипирование и тестирование
- Программирование прошивок
- Мелкосерийное производство
Разработка MVP
Быстрый вывод работоспособного прототипа на рынок. Проверяйте идею и получайте первые отзывы клиентов.
- Проектирование электроники и корпуса
- Прототипирование и тестирование
- Оптимизация перед серией
- Поддержка масштабирования
Системная интеграция
Бесшовная интеграция устройств в инфраструктуру клиента. Проводные и беспроводные сети, облако.
- RS-485, CAN, LAN, GSM, Bluetooth, WiFi
- Связь с промышленными контроллерами
- ПО для управления и мониторинга
- Оптимизация производительности
Замена ушедших поставщиков
Непрерывность производства - нахожу и интегрирую аналоги недоступных компонентов.
- Подбор подходящих замен
- Адаптеры и переходные решения
- Интеграция без потери функциональности
- Долгосрочная доступность компонентов
Программирование и встраиваемые системы
ПО для микроконтроллеров и встроенных систем - стабильная работа и высокая производительность.
- Архитектура ПО
- Драйверы и HAL
- Бизнес-логика приложения
- Тестирование и оптимизация
Портфолио
Избранные проекты
Большинство проектов находятся под NDA и не могут быть опубликованы



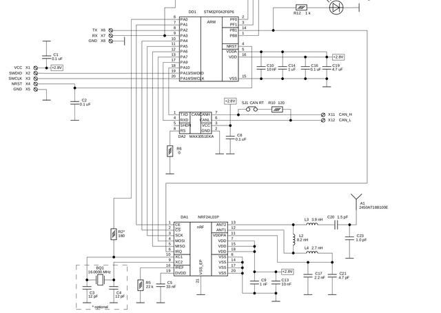
Контроллер датчика движения
Миниатюрный беспроводной контроллер на базе STM32 + nRF24L01 с CAN-интерфейсом



Контроллер LED-ленты
Компактный модуль управления адресной светодиодной лентой



Контроллер шагового двигателя
Управление шаговым двигателем с обратной связью по CAN-шине



Контроллер управления
Универсальный контроллер с CAN-шиной и множеством периферии



Концентратор CAN/Ethernet
Мост между CAN-шиной и Ethernet для промышленных систем



Контроллер шаговых двигателей
Многоканальный контроллер для управления несколькими шаговыми двигателями



Контроллер силового распределения
Промышленный модуль управления силовыми нагрузками с клеммниками



Контроллер телеметрии
Сбор и передача телеметрических данных с множеством датчиков



Панель управления с дисплеем
Компактный контроллер с встроенным LCD-дисплеем для интерактивного управления



Центральный контроллер системы
Многоканальная плата управления с обширной периферией



Контроллер GSM/WiFi
Модуль связи с GSM и WiFi для удалённого мониторинга



Управляющая плата физиотерапии
Контроллер медицинского прибора с нестандартной формой платы



Контроллер коллекторных двигателей
Мощный многоканальный силовой модуль с индукторами и радиаторами



Многофункциональный контроллер
Специализированная плата нестандартной формы с FPGA



Контроллер LED-табло
Управление крупной светодиодной матрицей с сотнями каналов



Силовой контроллер
Многоканальный модуль с массивом зелёных клеммников

Стек технологий
Технологии
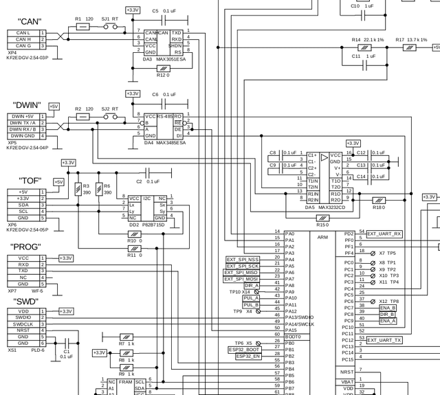
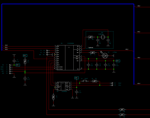
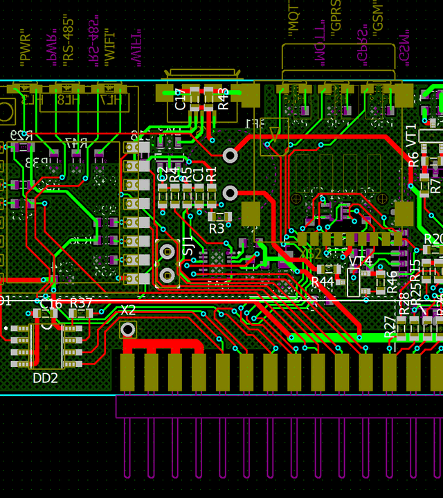
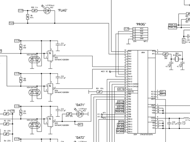
Схемотехника, трассировка PCB, прошивки МК и ПЛИС, интеграция в сети
Платформы
Интерфейсы
Беспроводные
Компетенции

Процесс работы
Как я работаю
Гибкий подход: веду проект от идеи до готового продукта или подключаюсь на отдельных этапах
Первичная консультация
Обсудим ваши требования, технические задачи и идеи. Предложу оптимальные решения и объясню этапы работы.
Расчёт стоимости
Подготовлю коммерческое предложение с учётом всех этапов, компонентной базы и индивидуальных требований.
Заключение договора
Согласуем техническое задание, сроки реализации, бюджет и подпишем официальный договор.
Анализ и проектирование
Детальный анализ задачи, подбор компонентов, разработка схем и прототип архитектуры устройства.
Разработка и тестирование
Проектирование печатных плат, написание ПО для микроконтроллеров, сборка прототипов и всестороннее тестирование.
Ваше устройство готово
Обеспечу серийное производство, помогу с сертификацией и внедрением. Поддержу доработки и масштабирование.

Обо мне
Константин Соловьев
«Спокойная уверенность и 40 лет в деле»
Я разрабатываю электронику с 1986 года. За 40 лет реализовал десятки проектов - от миниатюрных беспроводных датчиков до сложных промышленных систем управления.
Как основатель Mad Mustang, я лично веду каждый проект от первой консультации до выпуска готового устройства. Полный цикл: схемотехника, PCB, прошивки, производство - всё в одних руках.
Гибкий подход: могу вести проект от идеи до готового продукта или подключиться на отдельных этапах - там, где нужна моя экспертиза.
Использую AI как инструмент для ускорения рутинных задач. Это не замена экспертизе - это её усиление. Вы работаете напрямую со мной, без менеджеров и посредников.
Скрупулёзность
Окунаюсь в каждый проект с головой. Делать на «и так сойдёт» - не мой подход.
Системность
Привношу структуру в любую задачу. Понятность, последовательность, движение к результату.
Открытость новому
Приходите с любой идеей - никогда не услышите «это невозможно». Разберёмся и сделаем.
Спокойствие
Не поддаюсь панике, чётко рассуждаю. Даже в экстренных ситуациях - спокойный анализ и решение.

Контакты
Обсудить проект
«Я разберусь»
Расскажите о вашей задаче - я спокойно разберусь и предложу оптимальное решение. Первая консультация бесплатна.
